News Center

新闻中心

本原聚能新品发布

2023.01.30

浏览次数:2261

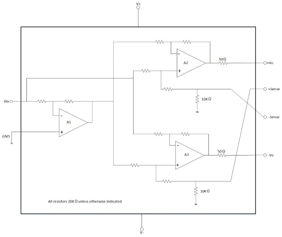
   BY134是一款是由高性能运放和精密片上电阻组成的差分线接收器,它拥有出色的AC特性,总谐波失真小于0.07%在1KHz,压摆率高达14V/uS,确保高动态响应,专用于高性能音频应用。
功能框图如下:

图片.png

  


  


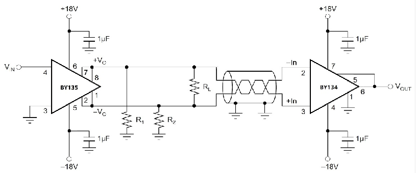
    BY135型音频平衡线性驱动器支持单端输入转全差分输出,有优秀的AC交流性能。工作模式下仅0.035%的谐波失真和高达15V/us的压摆率可在处理大多数音频信号且不失真。BY135内部具有高精度的电阻,能够提供准确的增益和优良的输出共模抑制。同时具有高的输出摆幅和高输出驱动电容的能力。能够联合INA134或者INA137使用且完整无损耗的传输模拟音频信号。其主要应用于音频领域,在低失真Hi-Fi音响设备以及电信系统等均可应用。

功能框图如下:

图片.png


两款产品可应用于:音频差分线驱动器、音频混合控制台等领域。

具体应用方式如下:

图片.png

详情请见产品页详情。